Röhm (Рём) — это немецкий производитель патронов и зажимной технологии с более чем 125-летней историей, основанный в 1896 году Генрихом Рёмом в Дармштадте. Компания с самого начала стала пионером в своей области, запатентовав первые самозажимные патроны и установив новые стандарты точности и надежности. Бренд прошел путь от небольшой мастерской до мирового лидера, чье имя стало синонимом высочайшего качества в металлообработке и деревообработке. Неизменным на протяжении всей истории компании остается ее ориентир на инновации, точность и немецкую инженерную традицию.
Продукция Röhm (Roehm) на 100% производится в Германии на современных заводах в городах Зёммерда и Фридберг, что гарантирует соблюдение строжайших стандартов качества и контроль над всем производственным циклом. Компания использует собственное литье, ковку и механическую обработку на высокоточных станках. Ключевым технологическим процессом является запатентованная термообработка критически важных деталей, обеспечивающая их исключительную износостойкость и долговечность. Собственное гальваническое производство позволяет наносить антикоррозионные покрытия, соответствующие жестким требованиям промышленного применения.
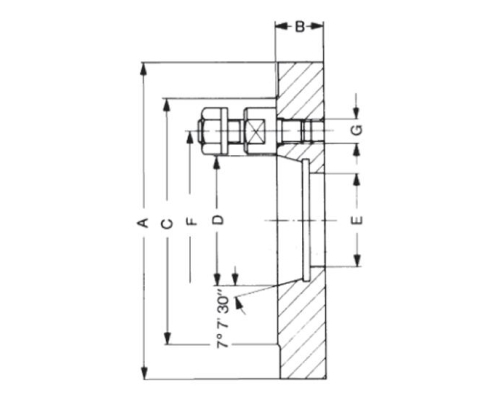
Ассортимент продукции включает в себя сверлильные и токарные патроны, цанговые зажимные системы, инструменты для правки патронов, а также силовые инструменты (динамометрические ключи и гайковерты). Визитной карточкой бренда являются сверлильные патроны с ключом и быстрозажимные (Quick-Release) патроны, известные своим минимальным биением и высочайшей точностью центрирования. Ключевой особенностью инструмента Röhm является применение запатентованного сплава "Super Hard" для кулачков патронов, обеспечивающего невероятную твердость и стойкость к износу.
Компания применяет передовые технологии, такие как автоматизированная сборка, лазерная маркировка для защиты от подделок и роботизированное тестирование готовой продукции. Röhm является предпочтительным поставщиком для ведущих мировых производителей станков, электроинструмента и промышленных предприятий. Инструмент Röhm — это эталон точности, надежности и долговечности, выбор профессионалов, для которых недопустимы компромиссы в качестве зажимного инструмента.
| Артикул: 094046 | Наличие: |
| Артикул: 111793 | Наличие: |
| Артикул: 180277 | Наличие: |
| Артикул: 179076 | Наличие: |
| Артикул: 105081 | Наличие: |
| Артикул: 319666 | Наличие: |
| Артикул: 149384 | Наличие: |
| Артикул: 307158 | Наличие: |
| Артикул: 063633 | Наличие: |
| Артикул: 029126 | Наличие: |
| Артикул: 102971 | Наличие: |
| Артикул: 088579 | Наличие: |
